Request a quote 1-808-836-1751
/product/p1925-3-hole-flat-plate-fitting $0.00P1925 - 3 Hole, Flat Plate Fitting
Standard Dimensions:
0 1198
/product/p1934-4-hole-90%C2%B0-fitting $0.00Standard Dimensions:
0 1199
/product/p1941-5-hole-flat-plate-fitting $0.00P1941 - 5 Hole, Flat Plate Fitting
Standard Dimensions:
0 1200
/product/p1944-45%C2%B0-stair-tread-support $0.00Standard Dimensions:
0 1201
/product/p1950-7-hole-flat-plate-fitting $0.00P1950 - 7 Hole, Flat Plate Fitting
Standard Dimensions:
0 1202
/product/p1953-6-hole-flat-plate-fitting $0.00P1953 - 6 Hole, Flat Plate Fitting
Standard Dimensions:
0 1203
/product/p1956-6-hole-90%C2%B0-fitting-right-hand $0.00Standard Dimensions:
0 1204
/product/p1957-6-hole-90%C2%B0-fitting-left-hand $0.00Standard Dimensions:
0 1205
/product/p1959-thru-p1961-1-hole-washer-flat-plate-fitting-1-58-series $0.00P1959 thru P1961 - 1 Hole Washer, Flat Plate Fitting (1-5/8" Series)
Standard Dimensions:
0 1206
/product/p1962-4-hole-flat-plate-fitting $0.00P1962 - 4 Hole, Flat Plate Fitting
Standard Dimensions:
0 1207
/product/p1973-3-hole-u-shape-fitting $0.00Standard Dimensions:
0 1208
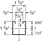
/product/p2000-1-58-x-1-58-16-gage-solid $0.00 
| Elements of Section - P2000 |